x

SWR Selffit and Ringfit Systems

Sagar Strong'N'Safe SWR Drainage System is designed for quick and efficient removal of waste without leakage. It is highly resilient, tough, and durable, with high tensile and impact strength. Moreover, it is free from scale formation, rusting, weathering, and chemical action. It is virtually immune to attacks from bacteria, fungi, microorganisms, and insects.

  • Applications
  • Benefits
  • Product Range
  • Technical Details

Applications:

  • Building Construction.
  • Sanitary Application.
  • Portable Water Supply.
  • Industrial Application.

Note:

  • Non Standard wall thickness, length and color can also be offered, If desired.
  • Pipes can also be offered as per DIN 8062, ASTM D 1785, ISO 4422-2, BS 3505/6.

Ringfit Pipes

One end of the pipe is plain and other end is self socketed with an integral groove to hold the rubber gasket. When jointed with a rubber ring, the joint formed is a trouble free, water tight one, ready to take care of thermal expansion / contraction.

Selffit Pipes

The pipes confirm to Indian standards (IS).
One end of the pipe is plain and the other end is self socketed on sophisticated automatic machines for high degree of accurate dimension. The pipes when joined using solvent cement, form a permanent water tight joint.

Benefits:

Pre-COS

Our product made from PVC, CPVC, PE & PPR raw materials which differ as follows from many of the pipes, hoses and fittings commercially available.

  • Higher mechanical stability.
  • Improved chemical stability.
  • Higher softening points.
  • Greater residual strength at high temperatures.
  • Higher compression strength.
  • Greater safety due to material stability.
  • Environment stress crack, corrosion, frost, kink & rot resistant.
Interior smoothness

Our product has outstanding interior smoothness and is thus optimized for flow. They have following advantages:

  • Very high delivery rate.
  • Low pressure loss.
  • Reduction of blower power requirements.
  • Lower operating costs.
Hygienic

The pipes & fittings being free from corrosion & negative biological effect, taste & odor nature, it does not change the water quality.

Hygienic

The pipes & fittings being free from corrosion & negative biological effect, taste & odor nature, it does not change the water quality.

Shock Proof

The pipe is non conductor of heat & electricity hence, they have following advantages:

  • Reduce heat loss.
  • No insulation required.
Quick assembly & maintenance free

The pipes, hoses & fittings are light in weight which results in extensive saving of time and laboring being Abrasion/Chemical resistance, free from rusting, pitting or scaling and maintenance-free.

Strong & Stiff

The pipes are specially designed for desire application which meets the required results as follows:

  • Superior strength with stiffness.
  • Flexible Compared to strength & stiffness.
Ultraviolet Resistance

The pipes, hoses & fittings are furnished with extra benefits of UV stabilizers. They have the following advantages:

  • Resists direct connection of UV rays to internal transporting material.
  • No discoloring of pipe in external atmosphere.
Chemical Resistance

The pipes & hoses have special characteristics which offers excellent resistance to great number of chemical like strong mineral acids, bases, & toxic chemicals.

SWR Fittings & Rubber Lubricants

*Bend 87.5°
*Bend 87.5° with door
*Bend 45°
*Single Tee
Cleansing Pipe
Reducer
*Single Tee with door
*Reducing Tee
Coupler
Vent Cowl
Nahani Trap
Multi Floor Trap
P -Trap
Pipe Clip
Double (Cross) Tee
Double (Cross) Tee with door
Strainer (Jali)

SAGAR® uPVC SWR Selffit Systems Technical Specifications:

Normal Diameter DN Mean Outside Diameter of Pipe Outside Diameter of Pipe at Any Point Wall Thickness
  Min Max Min Max Min Min
75 A 75.00 75.30 74.10 75.90 1.80 2.20
75 A 75.00 75.30 74.10 75.90 3.20 3.80
90 A 90.00 90.30 88.90 91.20 1.90 2.30
90 B 90.00 90.30 88.90 91.20 3.20 3.80
110 A 110.00 110.40 108.60 111.40 2.20 2.70
110 B 110.00 110.40 108.60 111.40 3.20 3.80
160 A 160.00 160.50 158.00 162.00 3.20 3.80
160 B 160.00 160.50 158.00 162.00 4.20 4.80
Read More

SAGAR® uPVC SWR Ringfit Systems Technical Specifications:

Inside Dia of Socket Length of
Beading & Neck
Length Beyond
Beading
Min Max Min Min
75.30 75.60 20.00 25.00
75.30 75.60 20.00 25.00
90.30 90.20 23.00 28.00
90.30 90.20 23.00 28.00
110.40 110.30 26.00 32.00
110.40 110.30 26.00 32.00
160.50 160.50 32.00 42.00
160.50 160.50 32.00 42.00

Selfit Socket

SAGAR® uPVC SWR Selffit Socket Systems Technical Specifications:

Socket Depth
min
Mean ID Socket at Mid Point
  Min Max
40 75.10 75.30
40 75.10 75.30
46 90.10 90.30
46 90.10 90.30
48 110.10 110.40
48 110.10 110.40
58 160.20 160.50
58 160.20 160.50
Technical Specification of Fittings as per IS: 14735
Size (mm) Wall Thickness at Plain End (mm) (min) Wall Thickness at Socket (mm) (min) Socket Depth (mm) (min) Inside Diameter of Socket at Mid Point (mm) Outside Diameter of Spigot Portion (mm)
Min Max Min Max
75 3.20 2.90 40.00 75.10 75.30 75.00 75.30
90 3.20 2.90 46.00 90.10 90.30 90.00 90.30
110 3.20 2.90 48.00 110.10 110.40 110.00 110.40

SAGAR SWR System

SAGAR SWR systems includes following:

uPVC SWR Pipes

SAGAR uPVC SWR pipes are as per IS: 13592 specifications. They are available in type A and type B. They are also classified with the types of pipe end. One end is plain and the other end has either sliding socket or grooved socket. Sliding socket end pipes can be joint with solvent cement forming a permanent water tight joint and recommended for horizontal lines as these lines are mostly buried in the flooring while grooved socket end pipes can be joint with rubber ring forming a detachable water tight joint which allows thermal expansion and contraction.

Advantages Of Rubber Ring Joint
  • It can be opened and closed as per requirement means it is flexible joint.
  • It permits axial contraction and expansion and also angular deflection.
  • Using of pipelines is immediate after laying without any curing time.
uPVC SWR Fittings

SAGAR uPVC SWR fittings are as per IS: 14735 specifications. They are available in selfit type which can be easily joined with SAGAR uPVC SWR sliding socket end pipes and also with grooved socket end pipes with the help of uPVC SWR Ring Seal Adaptor.

uPVC SWR Ring Seal Adaptor

SAGAR uPVC SWR Ring Seal Adaptor is specially designed to convert the sliding socket end joint to grooved socket end joint simply by snap fitting.

Rubber Ring

Sanitation lines are not concealed and are exposed to sunlight; hence there will be expansion and contraction due to temperature variations. Rubber rings are used to accommodate these expansion and contraction. Rubber rings are available as per IS:5382.

Solvent Cement

SAGAR PVC solvent cement is to be applied for jointing sliding socket end pipes and fittings. It is also cost effective without affecting the performance.

Rubber Lubricant

SAGAR rubber lubricant is to be used to help easy insertion of uPVC pipes and fittings into rubber gasket. It also prevents growth of microorganisms like bacteria, fungi etc.

Pipes should be stored on level ground with maximum up to 1.5 meter height. More weighted bundles should be stacked on the bottom. If the pipes are stacked in rack, the spacing of the supports should not exceed 3 feet. Fittings should be stored in cartoons. Rubber rings should be kept tension free. Rubber rings, solvent cement and rubber lubricant should be protected from direct exposure to sunlight and kept in proper ventilated area.

Reasonable care should be taken to handle the pipes and fittings. Throwing around or dragging or pushing or severe contact with sharp objects of pipes & fittings should be avoided.

Support Spacing of Pipe Clips

For vertical lines, pipe clips should be spaced at intervals of 1 to 2 meters depending upon pipe diameter but for horizontal lines distance should not be more than 10 times the outside diameter of the pipes.

Installation Methods

UNDERGROUND INSTALLATION

For underground installation, SAGAR uPVC SWR pipes should be laid in trenches. The trench width should be minimum pipe diameter plus 300 mm and width should be 600 - 1000 mm, depending upon the pipe size and slope for gravity flow. Check the dirt is not entering from the joints and pipe lines are not laid on submerged rock. Leakage testing is to be carried out before filling back the trench.

ABOVE GROUND INSTALLATION

Use pipe clips as mentioned in the topic - support spacing of pipe clips. Cleansing pipe and fitting with door should be used at proper places to provide access for inspection and cleaning.

CONCEALED INSTALLATION

For stress - free concealed installation of drain lines, slots should be made in the wall or concrete avoiding sharp edges. To prepare good base for proper cement fixation while inserting SAGAR uPVC SWR pipes & fittings into the slots without a cement base, apply light coat of SAGAR PVC solvent cement, then sprinkle medium sized dry sand. Leave till dry. In case of jointing PVC material to C. I. or A. C. material, these process is to be repeated. Before concealing the system, leakage testing is to be carried out.

By using Y or Tee fittings and repair couplers, subsequent branch lines can be provided to existing SWR systems.

Testing Before Use

All openings below the top of the section to be tested should be sealed hermetically. Then water level is to be increased up to minimum 3 meters height above the highest point of the section being tested or height is to be raised as per requirement. Every joint should be carefully examined for leaks.

Joining Technique

Solvent Cement Application For Sliding Socket End

Cut the pipe from plain end, make its end square

Using a chamfering tool or file, the end shall be chamfered to an angle of approximately 15°, to the axis of the pipe.

Remove burr, wipe the pipe end and fitting socket to remove all dirt, moisture and grease like lubricants by using clean rag.

Check dry fit of pipe and fitting and mark the distance length of pipe which goes into fitting socket.

Apply even and heavy coat of SAGAR PVC solvent cement on the external surface of the pipe and medium coat to the fitting socket.

Assemble the cemented parts quickly up to the mark by twisting pipe 1/8 to ¼ turn . To avoid push out, hold the assembly for about 60 seconds. A continuous bead of SAGAR PVC solvent cement is the evidence of proper joining.

Rubber Lubricant Application For Grooved Socket En

Cut the pipe from plain end, make its end square

Using a chamfering tool or file, the end shall be chamfered to an angle of approximately 15°, to the axis of the pipe.

Remove burr and wipe the mating surfaces to remove all dirt and moisture


Apply SAGAR rubber lubricant on the external mating surface and rubber gasket.


Check the proper mounting position of rubber ring and push the pipe into socket. Mark the distance of pipe depth in the socket.

Withdraw the pipe from the socket by approx. 10 mm away to allow for thermal expansion / contraction.

Converting The Sliding Socket End Joint To Grooved Socket End Joint
Solvent Cement Application For Sliding Socket End

Clean rib of sliding socket end fitting and internal surface of Ring Seal Adaptor.

Ring Seal Adaptor should be snap fitted firmly over the sliding socket end fitting with a uniform pressure.The click sound of snap fit is the evidence of perfect assembly. If required, the Ring Seal Adaptor can be detached by following same reverse procedure.

Joining Technique Insert the rubber ring into Ring Seal Adaptor.

Maintenance

MAJOR

If the damaged portion is above 300 mm, cut the pipe in total length of damaged portion plus two times diameter of the pipe. Use two repair couplers and both side chamfered pipe in such a length of cutting. Slide one repair coupler to upper pipe and the other to lower pipe. Place the pipe in the gap and slide both repair couplers over the juncture in opposite direction.

MINOR

Cut a piece of pipe having vertically unequal half cuts and bigger length than damaged portion. Apply light coat of SAGAR PVC solvent cement around damaged portion and inside of half cut pipes and stick it over the damaged portion. Before use, dry them properly.

Disclaimer

Every care has been taken to provide the updated and correct information in this catalogue but it is not intended to form any part of any contract. No warranty is intended to be given or implied in respect of the contents thereof.

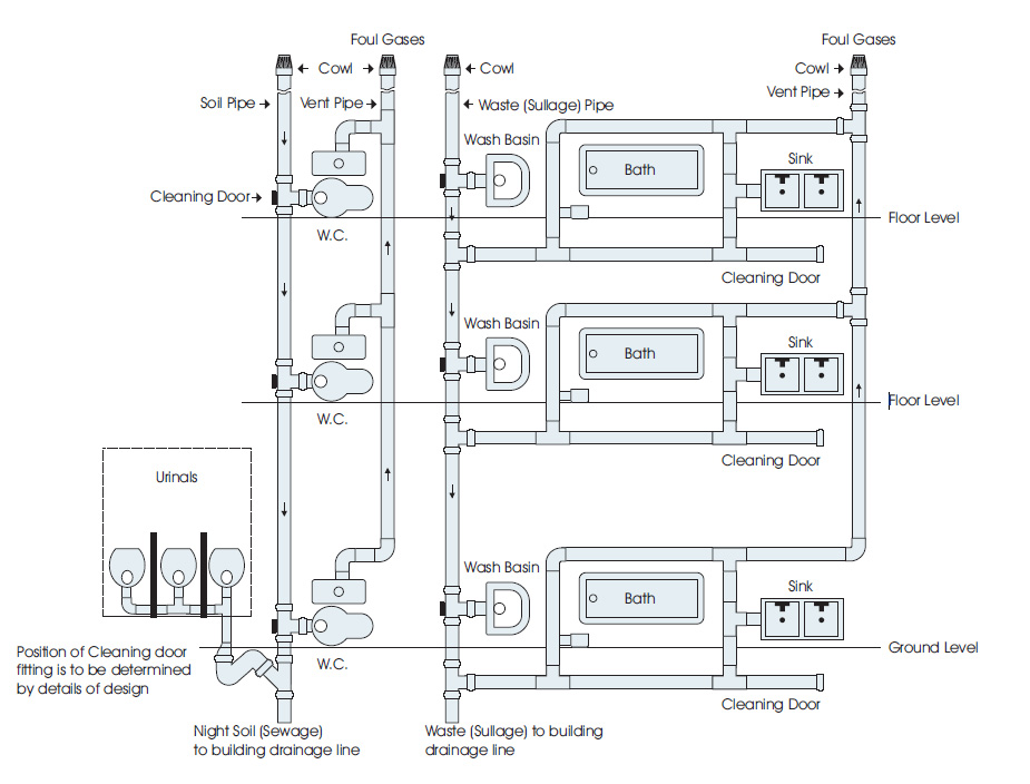
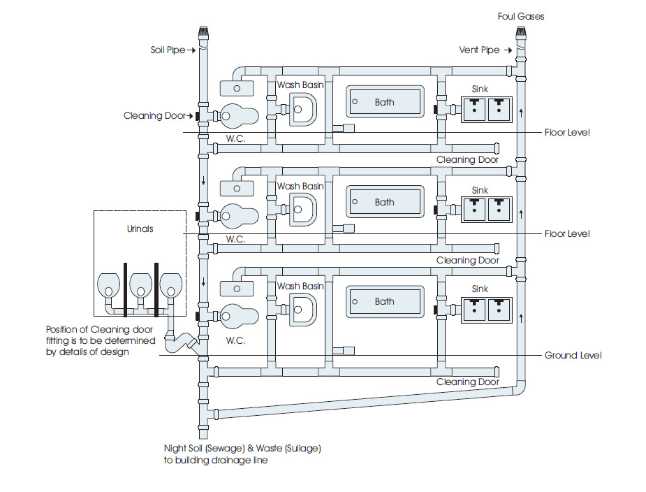
Types Of Sanitation System

Two Pipes System

This is the best system and suitable for large housing schemes. Here, four different vertical pipelines in terms of two sets are to be laid, one is for draining waste matter and the other is for draining night soil. The silage fixtures such as baths, sinks and wash basins are all connected through the branch pipe to the vertical waste pipeline of 75 mm size and the soil fixtures such as latrines and urinals are all collected through the branch pipe to the vertical soil pipeline of 110 mm size. To prevent accumulation of foul gases, a separate vent pipeline is recommended to ventilate both these lines.

One Pipe System

This system is suitable for small housing schemes. Here, only one main vertical pipe line is to be laid which drains waste matter and night soil from the respective branches. Even though a vent cowl is provided on the top of the main line for ventilation, it is recommended to provide an additional vent line.

Read Less

Subscribe Our Newsletter